 
        KDF-F翻邊型橡膠接頭是根據用戶的需求KXT單球體橡膠接頭的改良版,能相對的承受更大的位移和壓力。更重要的是改良了單球體橡膠接頭在過高的壓力下發生的拉脫狀況,改良后的大翻邊橡膠接頭密封面與平焊法蘭外徑一致,而且密封面上也有鉆孔,完全將橡膠接頭與管道連接成一個整體,從而提高了管道運行的穩定性。
它是一種高彈性、高氣密性、耐介質性和耐氣候性的管道接頭。內部致密度高、能承受較高壓力、彈性變形效果好。
橡膠接頭是由織物增強的橡膠件與松套金屬法蘭組成,用于管道降振降噪、補償位移的接頭。上海駱盈嚴格按照標準及原料質量要求,杜絕偷工減料現像,~標準即產品原料不但需要新料,還需要~級新料。橡膠接頭又稱作可曲撓橡膠接頭、管道減震器、避震喉、軟接頭等。
【產品別名】:可曲撓橡膠接頭、橡膠軟連接、減震器、法蘭軟連接、橡膠撓性接頭、橡膠管接頭等
【產品規格】:DN32mm-DN4000mm
【產品壓力】:0.6-2.5MPa
【減震等級】:A級,減震性特佳
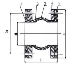
【產品】:
【適用范圍】:酸、堿、腐蝕類、油、熱水、冷水、壓縮空氣、壓縮天然氣等
【產品材質】:~型合成橡膠;產品~沒有污染,不含鉛等有毒物.
【產品顏色】:黑色,實物顏色見商品展示圖片.
【工作溫度】:-40度至80度(還可加工耐高溫橡膠接頭)
在線咨詢
銷售熱線:021-622-00727
KDF-F翻邊型橡膠接頭更是改良了單球體橡膠接頭在過高的壓力下發生的拉脫狀況,改良后的大翻邊橡膠接頭密封面與平焊法蘭外徑一致,而且球體密封面上有鉆孔,完全將橡膠接頭與管道連接成一個整體,從而提高了橡膠接頭使用的穩定性。它是一種高彈性、高氣密性、耐介質性和耐氣候性的管道接頭。由于可曲撓橡膠軟接頭有良好的綜合性能,主要用于原水和污水的提升和輸送,火力發電廠的給水和冷卻循環水,冶金行業,冷凝水,化工行業的化學物質的管道輸送,石化行業的冷卻,稀釋及其它行業長短距離管線間的柔性連接。因為橡膠具有較高的耐磨性,還適用于一切行業的粒狀和粉狀及汽體的輸送。
KDF-F翻邊型橡膠接頭產品安裝說明:
1、橡膠接頭在管道施工時,讓其處于自然狀態,嚴禁超位移安裝。
2、當管道介質為耐酸堿、油、高溫及其他特殊材料時應選用高于管道實際工作壓力一個檔位的接頭。
3、平地、懸空、垂直安裝橡膠接頭時,橡膠接頭的實際工作軸向壓力小于管道的支撐力,否則應該安裝防拉脫裝置,以防止工作時管道運行不穩定。
5、垂直安裝和架空安裝時產品兩端需安裝相應的固定支架和受力支架,以防止工作受壓后拉脫。
6、安裝時應遠離熱源,嚴禁使用不符合本產品要求的介質。
7、當管道位移量大于等于接頭的大補償量時,應增加接頭的數量來平行位移量,嚴禁為了調整管道的超差,使接頭處于撓曲位移和偏差狀態,更不能超限度(伸縮、位移、偏轉等),使用具體安裝數據見下表。
8、高層給水或懸空給水,管道應固定在吊架、托架上,且不能讓接頭承受管道自身重量和軸向力,否則接頭應配備防拉脫裝置。
9、安裝橡膠接頭時,螺栓的螺桿應伸向接頭外側,每一法蘭端面的螺栓按對角加壓的方法反復均勻擰緊,防止壓偏。
10、橡膠接頭在初次承受壓力(如:安裝試壓等)后或長期停用再次啟用前,應將螺栓重新加壓擰緊再投入運行。
翻邊單球體限位橡膠接頭使用在準東產業帶項目建設上發揮了重要作用,對于準東產業帶發展提供了優良的配套作用。新疆昌吉州煤化辦負責人介紹,產業帶功能布局配套的供排水、交通物流、電網構架、土地利用、綠化等5個專項子規劃已通過審批,煤電煤化工產業帶在2010年完成一期工程,其中2009年基礎設施一期基本完工,累計完成投資35億元人民幣。全長138公里的準東公路建成通車,產業帶環形運輸通道已經形成。烏魯木齊市北站至準東的鐵路也已投入運行,具有1500萬噸的年貨運能力。
據了解,今年是新疆昌吉州準東產業帶項目建設年,計劃開工12個項目。其中,煤礦項目4個,力爭煤炭產量突破3000萬噸;煤電項目3個,建設2個60萬千瓦熱電廠、一個120萬千瓦熱電廠;煤化工項目5個,完成建設1個13億立方煤制天然氣項目、3個40億立方煤制天然氣項目、30萬噸煤焦油轉制柴油工程項目。相信在不久的將來,駱盈翻邊單球體限位橡膠接頭的身影將會在更多的管道工程上出現,為更多的項目提供較為高效的管道補償。歡迎大家前來選購,021-62212627.

| 序號 No. | 部位 Part | 材料 Material | 
| 1 | 主體 Body | 天然橡膠(NR)、氯丁橡膠(CR)、丁基橡膠(IIR)、丁腈橡膠(NBR)、氟橡膠(FKM)、三元乙丙橡膠(EPDM) | 
| 2 | 內、外襯 Inner & Outer Rubber | 天然橡膠(NR) 氯丁橡膠(CR)丁基橡膠(IIR) 丁腈橡膠(NBR)氟橡膠(FKM)三元乙丙橡膠(EPDM)聚四氟乙烯(PTFE) | 
| 3 | 主體骨架 Body Carcass | 尼龍簾布 Nylon cord fabric | 
| 4 | 增壓環 Reinforcing Ring | 多股鍍銅鋼絲 Multi-strand coppering steel wire | 
| 5 | 法蘭 Flange | 鑄造、鍛造碳鋼 Cast and forged carbon steel(Q235)、不銹鋼 Stainless steel(201、304、316)、塑料 Plastic(CPVC、PVDF、PPH、UPVC、RPP) | 
| 項目Item |型號Medol | KDF-F-1 | KDF-F-2 | KDF-F-3 | A、如介質油,酸堿物質 B、工作溫度有特殊要求 C、也可來函來圖定制 D、訂貨時需說明 A. If media is oil, acid or alkali. B. If special requirements for working temperature C. If OEM orders with drawings or samples D. Please Inform us about above when ordering | 
| 工作壓力MpaWoring pressure | 1.0(10) | 1.6(16) | 2.5(25) | |
| 爆破壓力Mpa Burst Pressure | 2.0(20) | 3.0(30) | 4.5(45) | |
| 真空度 Kpa Vacuum | 53.3(400) | 86.7(650) | 100(750) | |
| 適用溫度℃Applicable Temperature | -20℃~+115℃(特殊可達-30℃~+250℃)-20℃~+115℃(-30℃~+250℃ under special conditions) | |||
| 適用介質Applicable Medium | 空氣、壓縮空氣、水、海水、熱水、油、酸、堿等Air, compressed air, water, sea water, oil, acid, alkali, etc. | |||
| 注:主要零件材料同KXT型 Note: the materials of main parts are the same with those of KXT type | ||||
| 公稱通徑DN Nominal Diameter (mm) | 長度 LengthLmm | 軸向位移 Axial displacement mm | 橫向位移 Haorizontal isplacement mm | 偏轉角度 Angular deflection(a1+a2)° | ||
| mm | 英寸inch | 伸長Extension | 壓縮Compression | |||
| 32 | 1.25 | 95 | 6 | 9 | 9 | 15 | 
| 40 | 1.5 | 95 | 6 | 10 | 9 | 15 | 
| 50 | 2 | 105 | 7 | 10 | 10 | 15 | 
| 65 | 2.5 | 115 | 7 | 13 | 11 | 15 | 
| 80 | 3 | 135 | 8 | 15 | 12 | 15 | 
| 100 | 4 | 150 | 10 | 19 | 13 | 15 | 
| 125 | 5 | 165 | 12 | 19 | 13 | 15 | 
| 150 | 6 | 180 | 12 | 20 | 14 | 15 | 
| 200 | 8 | 210 | 16 | 25 | 22 | 15 | 
| 250 | 10 | 230 | 16 | 25 | 22 | 15 | 
| 300 | 12 | 245 | 16 | 25 | 22 | 15 | 
| 350 | 14 | 255 | 16 | 25 | 22 | 15 | 
| 400 | 16 | 255 | 16 | 25 | 22 | 15 | 
| 450 | 18 | 255 | 16 | 25 | 22 | 15 | 
| 500 | 20 | 255 | 16 | 25 | 22 | 15 | 
| 600 | 24 | 260 | 16 | 25 | 22 | 15 | 
| 700 | 28 | 260 | 16 | 25 | 22 | 15 | 
| 800 | 32 | 260 | 16 | 25 | 22 | 15 | 
| 900 | 36 | 260 | 16 | 25 | 22 | 15 | 
| 1000 | 40 | 260 | 18 | 26 | 24 | 15 | 
| 1200 | 48 | 260 | 18 | 26 | 24 | 15 | 
| 1400 | 56 | 350 | 20 | 28 | 26 | 15 | 
| 1600 | 64 | 350 | 25 | 35 | 30 | 10 | 
| 1800 | 72 | 350 | 25 | 35 | 30 | 10 | 
| 2000 | 80 | 350 | 25 | 35 | 30 | 10 | 
| 2200 | 88 | 400 | 25 | 35 | 30 | 10 | 
| 2400 | 96 | 400 | 25 | 35 | 30 | 10 | 
| 2600 | 104 | 400 | 25 | 35 | 30 | 10 | 
| 2800 | 112 | 400 | 25 | 35 | 30 | 10 | 
| 3000 | 120 | 400 | 25 | 35 | 30 | 10 | 
| 注:1、特殊要求可按用戶圖紙制作,可選配(GB、JB、HG、CB、ANSI、DIN、BSEN、NF、EN、JIS、 等)法蘭標準生產。橡膠球體可做天然橡膠、三元乙丙橡膠、氯丁橡膠、丁基橡膠、丁腈橡膠、氟橡膠等。 2、懸空給水使用DN200以上產品,管道有固定支撐或固定托架,否則產品應安裝防拉脫裝置。 Notes: 1. For OEM orders with special requirement, rubber joints can be made according to customers' drawings. Generally, flange standard is other GB, JB, HG, CB, ANSI, DIN, BSEN, NF, EN, JIS, flanges are also available upon request. Material of rubber body can be NR natural rubber, EPDM, Neoprene, IIR butyl rubber, NBR Buna-N, FKM, etc. 2.When rubber joints size above DN200 are used for overhead water supply system, the pipes must be equipped with fixed supports or fixed brackets, otherwise control units shall be installed on rubber joints. | ||||||
上海駱盈管道設備有限公司專業生產:KDF-F翻邊型橡膠接頭,為您免費提供KDF-F翻邊型橡膠接頭應用解決方案,KDF-F翻邊型橡膠接頭價格,詳解KDF-F翻邊型橡膠接頭各種使用工況資料,提供KDF-F翻邊型橡膠接頭報價等信息。產品嚴格按照標準及原料質量要求,杜絕偷工減料現像,~標準即產品原料不但需要新料,還需要~新料。
                            專業制造、專業服務,駱盈為你創造更多價值
                            
 不斷提升服務質量,精益求精,“真誠的服務”是駱盈永恒的主題。駱盈嚴格按照 9001-2000 要求,質量嚴格把關,責任到人,確保生產、銷售、服務的健康運行。加強與用戶溝通,竭誠為廣大客戶提供優質產品,至善至美服務,特此駱盈做出如下承諾:
                            
產品標準
                            
 產品嚴格按照中國 GB、HG 標準和美國 API 等標準設計、制造、驗收。密封面硬度達到規定要求,寬度超過標準。
                            
售前服務
                            
 產品介紹,技術交流,非標產品設計,疑難解答。
                            
售中服務
                            
 1、守信合同,保證及時供貨,隨時保持與客戶聯系 2、對特殊或復雜的產品,我廠安排技術人員對用戶進行產品使用、故障排除、調式及維修進行培訓和指導。
                            
售后服務
                            
 1、駱盈產品質保期為自出廠起 12 個月,實行“三包”服務(包退、包換、包修)。
                            
 2、產品在使用中我廠定期組織技術、檢查人員進行訪問,征詢用戶對產品質量、使用狀況、改進意見等方面的反饋,以便進一步提高產品質量。
                            
 3、對用戶投訴產品質量問題,快速做出反映,售后服務人員在 24-36 小時(省外 48 小時)趕赴現場。
                            
 4、對售后服務,要求用戶填寫服務后的質量反饋表,并做出鑒定意見,共同提高駱盈的產品質量與服務質量。
                            
                        
1、客戶采購清單請傳真至 021-64207088 E-mail:luoying@luoyingsh.com,或來電咨詢 021-62212627。
                        
 2、收到客戶采購清單,為客戶提供產品型號選型與報價(價格清單)。
                        
 3、具體商定:交貨期、特殊要求等事宜。
                    
訂貨須知
                        
 1、客戶對產品有特殊要求,須在訂貨合同中提供以下說明:
                        
 (1)結構長度
                        
 (2)連接形式
                        
 (3)公稱直徑、全通徑、縮徑、管道尺寸
                        
 (4)用介質及溫度、壓力范圍
                        
 (5)實驗、檢驗標準及其他要求本廠可根據客戶特殊要求配置定做和設計特殊產品。
                        
 2、本廠可根據客戶特殊要求配置定做和設計特殊產品。
                        
 3、如由客戶提供確定的產品類型和型號時,客戶應正確說明其型號的含義和要求,在供需雙方理解一致的條件下簽訂合同。
                        
                    
您也可以聯系在線客服